Elektřina Dněpr 650 OHV
Pravidla fóra
Technické záležitosti Dněprů, Uralů, Káček a eMek.
Technické záležitosti Dněprů, Uralů, Káček a eMek.
Elektřina Dněpr 650 OHV
Prosím o pomoc.
Zapojil jsem originální novou kabeláž stejně jak byla stávající a zjistil jsem, že mi fungujou pouze světla.
Nesvítí ani kontrolky dobíjení, mazání, neutrálu, neblikají blinkry a nesvítí brzdové světlo. Zatím nemám nasazené karburátory, tak nevím jestli startuje.
Nemá někdo fotky jak je to barevně zapojené a fungující?
Nebo někdo ochotný se na to kouknout?
Zapojil jsem originální novou kabeláž stejně jak byla stávající a zjistil jsem, že mi fungujou pouze světla.
Nesvítí ani kontrolky dobíjení, mazání, neutrálu, neblikají blinkry a nesvítí brzdové světlo. Zatím nemám nasazené karburátory, tak nevím jestli startuje.
Nemá někdo fotky jak je to barevně zapojené a fungující?
Nebo někdo ochotný se na to kouknout?
Honda VFR750
Dněpr 650
Dněpr 650
-
Mirda
Re: Elektřina Dněpr 650 OHV
A máte udělanou kostru?Je umístěná pod nádrží, oko M8.Vypadá to,že ne.
Re: Elektřina Dněpr 650 OHV
[quote="Mirda"]A máte udělanou kostru?Je umístěná pod nádrží, oko M8.Vypadá to,že ne.[/quote
Zdravím. Ano, mam to ukostřené.
Ten šroub vlastně drží i motor.
Ještě to budu muset jednou projít podle schématu.
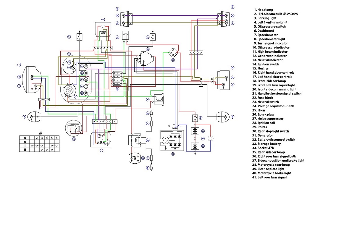
Na schematu je něco u baterky s označením socket 47K nebo tak nějak a spojuje +a -.
Nejsem elektrikář, ale přijde mi to, že tam jsou chyby co se týče uzemnění.
Zdravím. Ano, mam to ukostřené.
Ten šroub vlastně drží i motor.
Ještě to budu muset jednou projít podle schématu.
Na schematu je něco u baterky s označením socket 47K nebo tak nějak a spojuje +a -.
Nejsem elektrikář, ale přijde mi to, že tam jsou chyby co se týče uzemnění.
Honda VFR750
Dněpr 650
Dněpr 650
-
Dneprstein
- Příspěvky: 612
- Registrován: 21 led 2011, 12:28
Re: Elektřina Dněpr 650 OHV
To "u baterky" by měla být zásuvka. V podstatě klasická zapalovačová (jen netuším, jestli malá, nebo velká). Dněpr má totiž mít v originální výbavě i svítilničku pro noční remonty...
Je ukostřená přístrojovka? - Tím myslím kompletně celý předek (brýle, vidlice). Obvykle nestačí uzemnění přes ložisko řízení. Světla, díky velkému odběru, přes něj projít můžou, kontrolky už ne. - Jo a některé kontrolky mají "aktivní stranu" na plusu, některé na mínusu (třeba neutrál). Stejně je to u klaksonu, přes tlačítko se kostří...
Je ukostřená přístrojovka? - Tím myslím kompletně celý předek (brýle, vidlice). Obvykle nestačí uzemnění přes ložisko řízení. Světla, díky velkému odběru, přes něj projít můžou, kontrolky už ne. - Jo a některé kontrolky mají "aktivní stranu" na plusu, některé na mínusu (třeba neutrál). Stejně je to u klaksonu, přes tlačítko se kostří...
Re: Elektřina Dněpr 650 OHV
Dneprstein píše:To "u baterky" by měla být zásuvka. V podstatě klasická zapalovačová (jen netuším, jestli malá, nebo velká). Dněpr má totiž mít v originální výbavě i svítilničku pro noční remonty...
Je ukostřená přístrojovka? - Tím myslím kompletně celý předek (brýle, vidlice). Obvykle nestačí uzemnění přes ložisko řízení. Světla, díky velkému odběru, přes něj projít můžou, kontrolky už ne. - Jo a některé kontrolky mají "aktivní stranu" na plusu, některé na mínusu (třeba neutrál). Stejně je to u klaksonu, přes tlačítko se kostří...
Moc děkuji za rady.
V pondělí se na to vrhnu. Vidlici ukostřím na tom samém šroubu pod nádrží.
Jinak předtím to bylo zapojeno stejně a fungovalo to do doby než se mi předřela kabeláž, protože byla skříplá pod nádrží. Nebyl žádný kablík navíc který by kostřil vidlici.
Ještě nakrempluju očka tam kde jsou jen kablíky pro jistotu (pojistková skříň + brzdový spínač) a vyměním i přepínače na řídítkách.
Tak snad to už pojede.
Jinak zjistil jsem, že zadní světlo motorky není ukostřeno na objímce žárovky, ale na středu
Honda VFR750
Dněpr 650
Dněpr 650
Re: Elektřina Dněpr 650 OHV
Zdravím, jak to dopadlo s tou elektrikou? Podařilo se? Když jsem byl malý capart a proháněl jsem jawy tak mě táta učil že veškeré ukostreni nesmí jít přes barvu, ale na holý kov.
Dnepr 650 OHV
Re: Elektřina Dněpr 650 OHV
Nepodařilo. Ještě se pokusím s měřákem projít všechny kabely podle schématu. Jinak fakt nevím.
Všechno jde na holý kov.
Všechno jde na holý kov.
Honda VFR750
Dněpr 650
Dněpr 650
Re: Elektřina Dněpr 650 OHV
A startuje?Jeste by mohla byt chyba v samotne spinaci skrince.Koupil jsem novou a rozpadla se mi pod rukama kdyz jsem natahoval kabelaz,asi supr vyrobek, takze I na to bacha...
Dnepr 650 OHV
Re: Elektřina Dněpr 650 OHV
Spínačka před tím fungovala bez problémů. Svítí mi pouze světla a kontrolka dálkových když to přepnu.
Jinak nic. Ani klakson.
Musím to překontrolovat znovu a změřit.
Někdo z okolí Třince, Českého Těšína kdo by mi pomohl?
Jinak nic. Ani klakson.
Musím to překontrolovat znovu a změřit.
Někdo z okolí Třince, Českého Těšína kdo by mi pomohl?
Honda VFR750
Dněpr 650
Dněpr 650
-
Lukáš K750
- Příspěvky: 4
- Registrován: 29 led 2016, 13:26